The Wayback Machine - https://web.archive.org/web/20191221235325/http://www.metalkraft.in:80/doorandwindowframes.html
Hyderabad | Chennai | Ahmedabad | Bangalore

Product Applications  Door And Window Frames

Door & Window Segment

Metalkraft currently has more than 350 sections in its product range used in Door and Window applications. Metalkraft is capable of developing the sections of any size; shape, length or the material to meet the requirement of customer's from 30mm width strips in thickness between 0.40mm to 2.5mm on receipt of drawings and specifications.

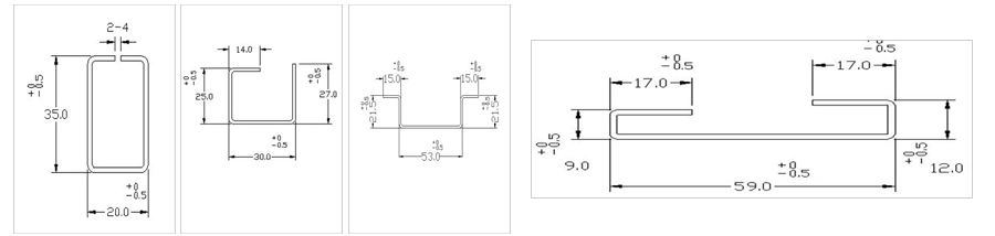
Metalkraft manufactures reinforcement Sections used for UPVC window profiles in a standard form namely they are made of Flat Hot Dip Galvanised steel.

The Standard length is 6000 mm. The non-standard, special profiles are manufactured according to the customer request. Both the product and co-packing are at the highest level.

To fulfill our customers expectations we have widened our production of open and closed steel sections with slots. The slots are done with the usuage of modern door and window profiles, which Metalkraft able to manufacture the highest quality steel sections with slots to all PVC systems. Where these products are used as the reinforcement of UPVC Doors.

Technical Specifications

Channel / Box Sections

Width 10mm to 70mm

Height 8mm to 120mm

Wall Thickness 0.8mm to 2.5mm

Some of Sections